Heavy Duty Flush Table Hinge
Heavy Duty Flush Table Hinge
Grade: 316 Stainless Steel
Retail and bulk packaging available
The Heavy Duty Flush Table Hinge is designed to fold completely in half. This hinge is ideal for tables, doors and other applications where recessed hinges allow for a totally flat surface. It is made from grade 316 stainless steel for maximum corrosion resistance and durability.




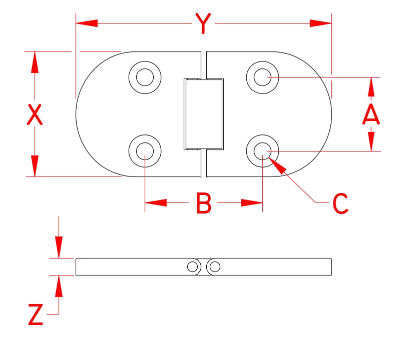
Specifications

ALL DIMENSIONS ARE NOMINAL (+/- 3%) AND ARE SUBJECT TO CHANGE WITHOUT NOTICE.
| ITEM | A | B | C | X | Y | Z | WT (lb) |
|---|---|---|---|---|---|---|---|
| S3833-0001 | 0.73″ | 1.60″ | 0.18″ | 1.48″ | 3.18″ | 0.21″ | 0.23 |






















