Heavy Duty Take Apart Hinge
Heavy Duty Take Apart Hinge
Grade: 316 Stainless Steel
Retail and bulk packaging available
The Heavy Duty Take Apart Hinge is easily installed using #10 fasteners and features a locking tab to prevent the hinge from accidentally coming apart. It is made from grade 316 stainless steel for maximum corrosion resistance and durability.



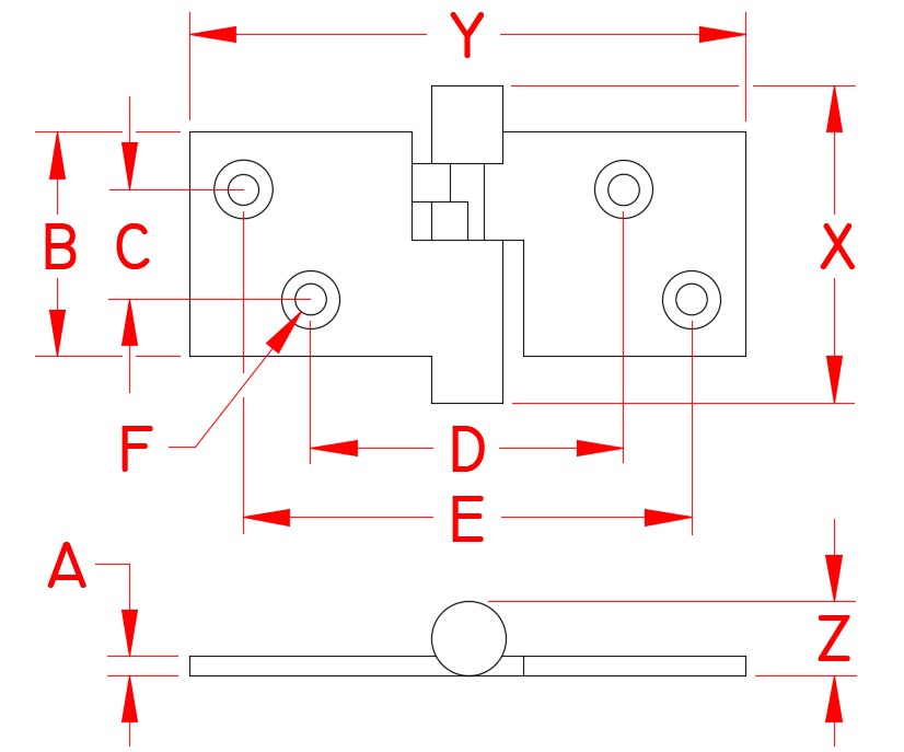
Specifications

ALL DIMENSIONS ARE NOMINAL (+/- 3%) AND ARE SUBJECT TO CHANGE WITHOUT NOTICE.
| ITEM | A | B | C | D | E | F | X | Y | Z | WT (lb) |
|---|---|---|---|---|---|---|---|---|---|---|
| S3824-2000 | 0.13″ | 1.45″ | 0.73″ | 2.00″ | 2.90″ | 0.20″ | 2.05″ | 3.54″ | 0.47″ | 0.24 |






















