Mil. Spec Double Shank Ball
Mil. Spec Double Shank Ball
Material: Stainless Steel
Specification: MIL-DTL-781
Retail and bulk packaging available
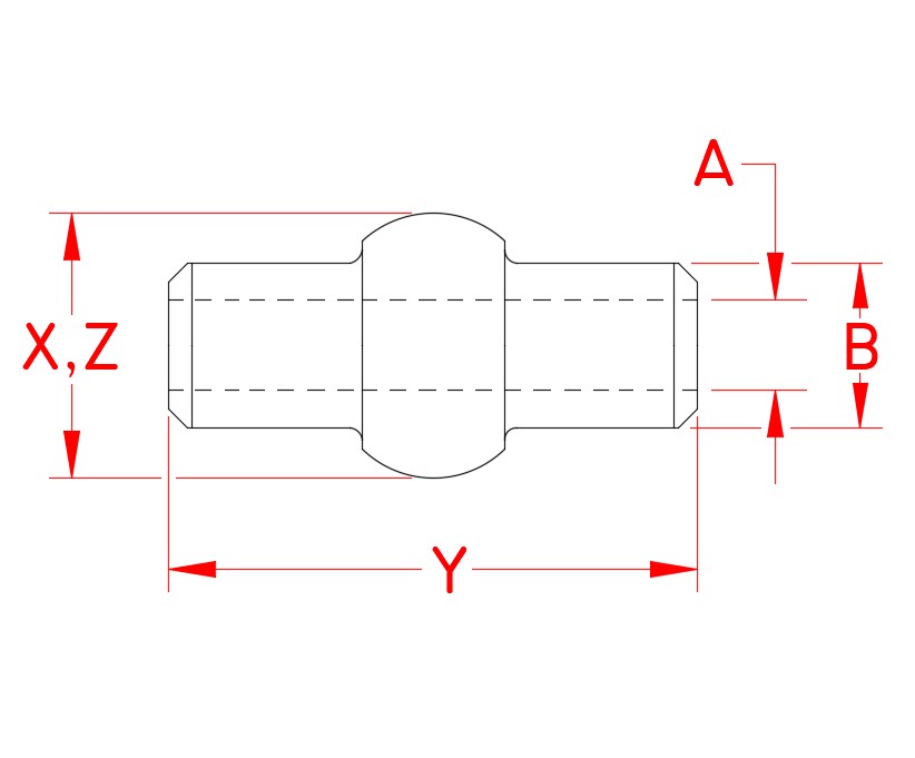
These stainless steel swage fittings meet mil. spec #MS20663. They have met all quality and testing requirements per MIL-DTL-781 and are approved for listing in QPL-781. The double shank ball is offered in a variety of sizes, ranging from 1/16″ to 5/16″.




Specifications

| ITEM | A (wire) | B BEFORE (SWAGE) | B AFTER (SWAGE) | BALL BEFORE (SWAGE) | BALL AFTER (SWAGE) | X | Y | Z | WT (lb) |
|---|---|---|---|---|---|---|---|---|---|
| MS20663C2 | 1/16″ | 0.127″ | 0.112″ | 0.207″ | 0.190″ | 0.21″ | 0.36″ | 0.21″ | 0.01/100 |
| MS20663C3 | 3/32″ | 0.163″ | 0.143″ | 0.277″ | 0.253″ | 0.28″ | 0.53″ | 0.28″ | 0.2/100 |
| MS20663C4 | 1/8″ | 0.218″ | 0.190″ | 0.345″ | 0.315″ | 0.35″ | 0.69″ | 0.35″ | 0.7/100 |
| MS20663C5 | 5/32″ | 0.254″ | 0.222″ | 0.419″ | 0.379″ | 0.42″ | 0.85″ | 0.42″ | 0.01 |
| MS20663C6 | 3/16′ | 0.293″ | 0.255″ | 0.487″ | 0.442″ | 0.49″ | 1.01″ | 0.49″ | 0.02 |
| MS20663C7 | 7/32″ | 0.347″ | 0.302″ | 0.555″ | 0.505″ | 0.56″ | 1.18″ | 0.56″ | 0.03 |
| MS20663C8 | 1/4″ | 0.401″ | 0.348″ | 0.624″ | 0.567″ | 0.62″ | 1.34″ | 0.62″ | 0.04 |
| MS20663C10 | 5/16″ | 0.475″ | 0.413″ | 0.763″ | 0.694″ | 0.76″ | 1.66″ | 0.76″ | 0.06 |





