Quick Attach™ Double Gate Eye
Quick Attach™ Double Gate Eye
Grade: 316 Stainless Steel
Retail and bulk packaging available
Rig a lifeline in minutes using the stainless steel Quick Attach™ Gate Eyes. They feature a mechanical swage fitting which allows for fast and easy installation. These swageless gate eyes accepts a 3/16″ cable and can be used with any type of cable construction (1×19, 7×19 or 7×7).
NOT FOR USE ON STANDING RIGGING ON BOATS.





Specifications

WORKING LOAD LIMIT OF QUICK ATTACH™ FITTINGS ARE 75% OF THE WLL OF WIRE USED.
ALL DIMENSIONS ARE NOMINAL (+/- 3%) AND ARE SUBJECT TO CHANGE WITHOUT NOTICE.
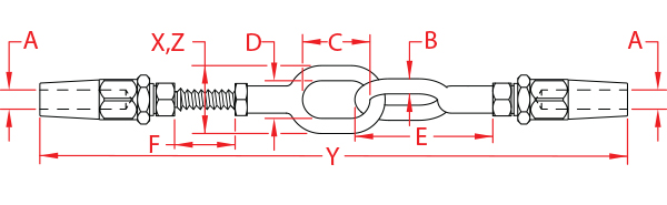
| ITEM | A (wire size) | B | C | D | E | F | X | Y | Z | WT (lb) |
|---|---|---|---|---|---|---|---|---|---|---|
| S0776-2905 | 3/16″ | 0.24″ | 1.05″ | 0.59″ | 2.15″ | 1.00″ | 1.05″ | 9.13″ | 1.05″ | 0.45 |
















