Rope Deck Pipe with Chain
Rope Deck Pipe with Chain
Material: Chrome Plated Brass
Retail and bulk packaging available
The Rope Deck Pipe with Chain is precision cast and easily installed using 3/16″ screws. This deck pipe features a safety chain to prevent the top from getting lost.



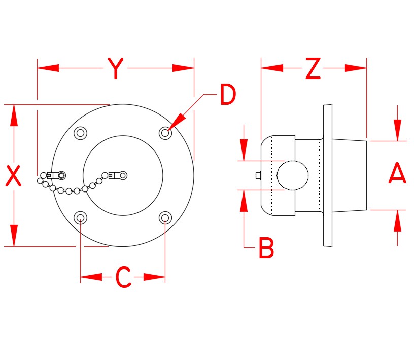
Specifications

ALL DIMENSIONS ARE NOMINAL (+/- 3%) AND ARE SUBJECT TO CHANGE WITHOUT NOTICE.
| ITEM | A | B | C | D | FASTENER | X | Y | Z | WT (lb) |
|---|---|---|---|---|---|---|---|---|---|
| C3808-0001 | 1.75″ | 0.74″ | 2.32″ | 0.20″ | #10 Screws | 4.00″ | 4.12″ | 2.94″ | 1.26 |






























