360 Degree Anchor Swivel
360 Degree Anchor Swivel
Grade: 17-4 PH Stainless Steel
Retail and bulk packaging available
Suncor’s stainless steel 360 Degree Anchor Swivel is precision cast and made from grade 17-4 PH stainless steel for maximum corrosion resistance and durability. It swivels 360 degrees and is equipped with a solid bronze thrust washer and a stainless steel screw pin. Multiple sizes are available to fit 1/4″ to 1/2″ chain.
Note: Heavy duty anchor rode swivel. Sleek design with solid screw pins. Thread locking liquid included for cross pins.





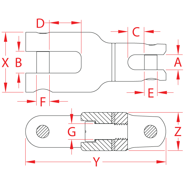
Specifications

ALL DIMENSIONS ARE NOMINAL (+/- 3%) AND ARE SUBJECT TO CHANGE WITHOUT NOTICE.
| ITEM | A | B | C | D | E | F | G | X | Y | Z | BL (lb) | WT (lb) |
|---|---|---|---|---|---|---|---|---|---|---|---|---|
| S0190-0008 | 0.38″ | 0.65″ | 0.50″ | 0.81″ | 0.31″ | 0.38″ | 0.44″ | 1.90″ | 3.81″ | 1.13″ | 8,500 | 0.96 |
| S0190-0013 | 0.59″ | 0.85″ | 0.67″ | 1.25″ | 0.50″ | 0.50″ | 0.62″ | 2.35″ | 5.50″ | 1.50″ | 15,000 | 2.22 |























